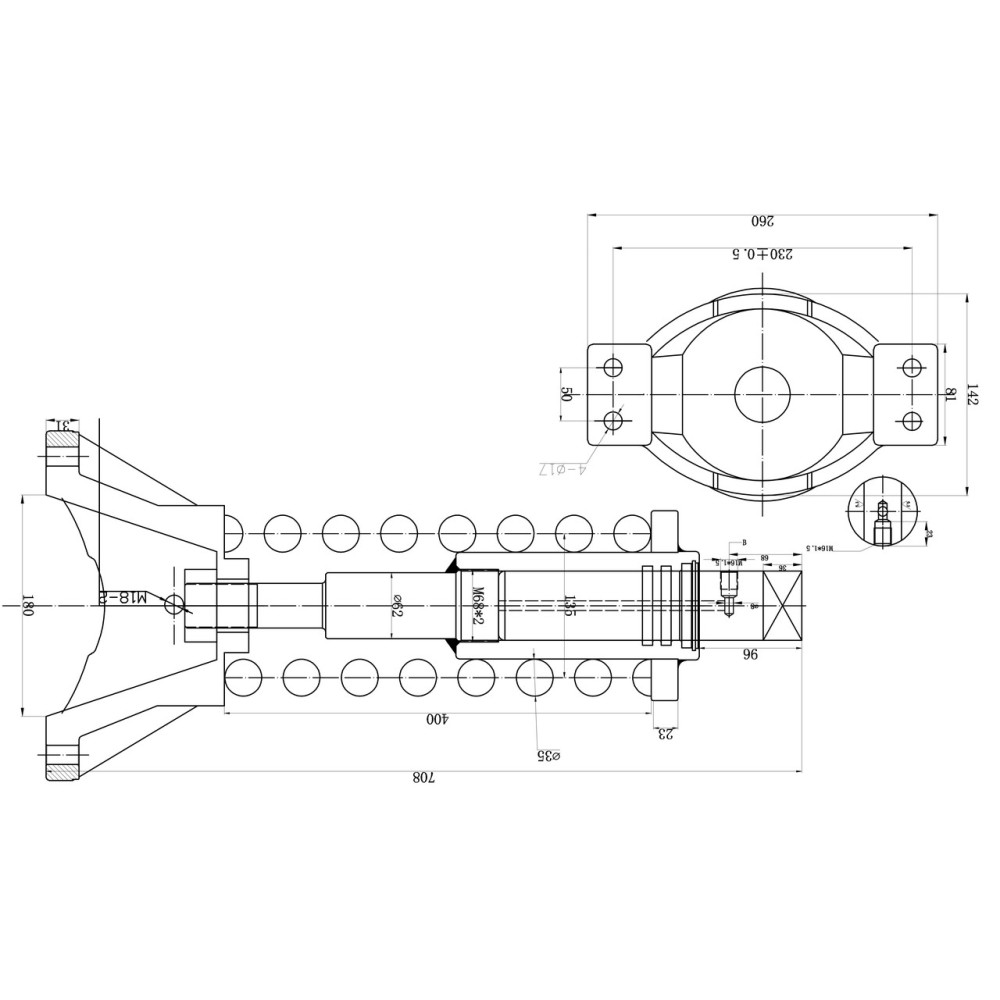
Napínák gumového pásu VOLVO EC140B

0 hodnocení 
G

Napínací kolo je klíčovým prvkem hnacího systému ve stavebních strojích, který zajišťuje správné napnutí pásů a ovlivňuje jejich životnost a efektivitu práce. Výrobek určený pro stroje Volvo EC140B od značky G-TRAX představuje kvalitní řešení, které zaručuje spolehlivost v náročných pracovních podmínkách. Díky použití moderních technologií a odolných materiálů nabízí napínací kolo vysokou odolnost vůči mechanickým poškozením a snadnou montáž, co se projevuje delší životností stroje a nižšími náklady na údržbu.

Proč si vybrat napínací kolo od G-TRAX?

Napínací kolo od G-TRAX pro stroje Volvo EC140B je řešení, které zajišťuje vynikající funkčnost a péči o výkonnost práce. Díky použití nejnovějších materiálů a technologií se tento výrobek vyznačuje dlouhou životností a odolností vůči extrémním podmínkám. Jedná se o volbu, která přináší výhody jak z hlediska ekonomiky provozu, tak z efektivity samotného stroje. Tento napínací kolo umožňuje přesné udržování napnutí pásů, což minimalizuje riziko jejich poškození a zvyšuje stabilitu při práci na různorodém terénu.

  • Výjimečná odolnost vůči poškození: Díky použití materiálů vysoké kvality je napínací kolo odolné vůči intenzivnímu užívání a těžkým pracovním podmínkám, což významně prodlužuje jeho životnost.
  • Kompatibilita s vozidly Volvo: Výrobek perfektně zapadá do modelů EC140B, což zajišťuje přesné přizpůsobení a minimalizuje riziko chybné montáže.
  • Optimalizace práce stroje: Pravidelné udržování správného napnutí pásů zlepšuje stabilitu stroje, zvyšuje jeho efektivitu a snižuje riziko poškození dalších součástí.

Nejlepší vlastnosti napínacího kola od G-TRAX

Napínací kolo od G-TRAX pro Volvo EC140B se vyznačuje řadou vlastností, které zajišťují vynikající výkon a spolehlivost. Bylo navrženo s ohledem na těžké pracovní podmínky na staveništi, kde jsou stabilita a přesný pohon nezbytné. Tento výrobek se vyznačuje snadnou montáží a odolností, což ho činí ideálním řešením pro dlouhodobý provoz. Jeho konstrukce zajišťuje plynulý chod pásů a chrání ostatní součásti stroje před nadměrným opotřebením.

  • Přesné nastavení napětí: Systém umožňuje přesné nastavení napětí pásů, což zajišťuje jejich optimální funkci v různých podmínkách.
  • Vysoká kvalita provedení: Napínací kolo je vyrobeno z odolných materiálů, které zaručují odolnost vůči mechanickým a chemickým zátěžím, což zajišťuje jeho dlouhou životnost.
  • Snadná údržba: Výrobek je snadno udržovatelný, což minimalizuje náklady spojené s jeho provozem a stavy stroje.

Výhody používání napínacího kola od G-TRAX

Výběr napínacího kola od G-TRAX pro stroj Volvo EC140B je investicí, která přináší mnoho výhod. Díky jeho použití stroj pracuje stabilněji, s větší efektivitou a menším spotřebem paliva. Pravidelné udržování správného napnutí pásů zajišťuje lepší přilnavost a bezpečnost práce, a zároveň snižuje riziko poškození dalších součástí stroje. Uživatelé se tak mohou spolehnout na dlouhodobý provoz stroje s minimálním rizikem nákladných oprav.

  • Snížení nákladů na provoz: Udržování správného napnutí pásů snižuje riziko jejich poškození, což snižuje náklady na opravy a výměnu dílů.
  • Větší stabilita stroje: Napínací kolo zajišťuje rovnoměrné napětí pásů, což přispívá ke zlepšení stability stroje na nerovném povrchu.
  • Optimalizace výkonu: Precizně napnuté pásy se projevují lepší přilnavostí, což zvyšuje efektivitu práce stroje, zejména v náročných terénních podmínkách.
Producent: : GTRAX
check Skladem
Máte nějaké dotazy? Zavolejte odborníka +38 073 095 75 14
Stav zásob: Nízký
Stav zásob: Nízký
1 700,00 Kč
S DPH
Záruka

Záruka výrobce

Doručení

Rychlé doručení

Podpora

Podpora odborníků

Vrácení

Snadné vrácení

pasuje między innymi do maszyn:
Producent: Model: Wersja:
VOLVO EC140B -
VOLVO EC140C -
VOLVO EC140D -
Produkty komplementarne
SPNVO140 ZNVO140 ZUNVO140

Indeksy alternatywne / cross

NGVO140 14670220
VOE14670220 VO14670220
: G
: 2 ks
Spěchat! pouze 2 položky zůstaly skladem.

Informace požadované nařízením o obecné bezpečnosti výrobků (GPSR)

Výrobce: USCO SpA

Značka: ITR

Adresa: Via delle Nazioni, 65, 41122 Modena, Itálie

Kontakt:
info@usco.it
+39 059 9780111

Reviews

Prozatím žádná hodnocení zákazníků.

Napsat hodnocení produktu

Napínák gumového pásu VOLVO EC140B

Napínací kolo je klíčovým prvkem hnacího systému ve stavebních strojích, který zajišťuje správné napnutí pásů a ovlivňuje jejich životnost a efektivitu práce. Výrobek určený pro stroje Volvo EC140B od značky G-TRAX představuje kvalitní řešení, které zaručuje spolehlivost v náročných pracovních podmínkách. Díky použití moderních technologií a odolných materiálů nabízí napínací kolo vysokou odolnost vůči mechanickým poškozením a snadnou montáž, co se projevuje delší životností stroje a nižšími náklady na údržbu.

Proč si vybrat napínací kolo od G-TRAX?

Napínací kolo od G-TRAX pro stroje Volvo EC140B je řešení, které zajišťuje vynikající funkčnost a péči o výkonnost práce. Díky použití nejnovějších materiálů a technologií se tento výrobek vyznačuje dlouhou životností a odolností vůči extrémním podmínkám. Jedná se o volbu, která přináší výhody jak z hlediska ekonomiky provozu, tak z efektivity samotného stroje. Tento napínací kolo umožňuje přesné udržování napnutí pásů, což minimalizuje riziko jejich poškození a zvyšuje stabilitu při práci na různorodém terénu.

  • Výjimečná odolnost vůči poškození: Díky použití materiálů vysoké kvality je napínací kolo odolné vůči intenzivnímu užívání a těžkým pracovním podmínkám, což významně prodlužuje jeho životnost.
  • Kompatibilita s vozidly Volvo: Výrobek perfektně zapadá do modelů EC140B, což zajišťuje přesné přizpůsobení a minimalizuje riziko chybné montáže.
  • Optimalizace práce stroje: Pravidelné udržování správného napnutí pásů zlepšuje stabilitu stroje, zvyšuje jeho efektivitu a snižuje riziko poškození dalších součástí.

Nejlepší vlastnosti napínacího kola od G-TRAX

Napínací kolo od G-TRAX pro Volvo EC140B se vyznačuje řadou vlastností, které zajišťují vynikající výkon a spolehlivost. Bylo navrženo s ohledem na těžké pracovní podmínky na staveništi, kde jsou stabilita a přesný pohon nezbytné. Tento výrobek se vyznačuje snadnou montáží a odolností, což ho činí ideálním řešením pro dlouhodobý provoz. Jeho konstrukce zajišťuje plynulý chod pásů a chrání ostatní součásti stroje před nadměrným opotřebením.

  • Přesné nastavení napětí: Systém umožňuje přesné nastavení napětí pásů, což zajišťuje jejich optimální funkci v různých podmínkách.
  • Vysoká kvalita provedení: Napínací kolo je vyrobeno z odolných materiálů, které zaručují odolnost vůči mechanickým a chemickým zátěžím, což zajišťuje jeho dlouhou životnost.
  • Snadná údržba: Výrobek je snadno udržovatelný, což minimalizuje náklady spojené s jeho provozem a stavy stroje.

Výhody používání napínacího kola od G-TRAX

Výběr napínacího kola od G-TRAX pro stroj Volvo EC140B je investicí, která přináší mnoho výhod. Díky jeho použití stroj pracuje stabilněji, s větší efektivitou a menším spotřebem paliva. Pravidelné udržování správného napnutí pásů zajišťuje lepší přilnavost a bezpečnost práce, a zároveň snižuje riziko poškození dalších součástí stroje. Uživatelé se tak mohou spolehnout na dlouhodobý provoz stroje s minimálním rizikem nákladných oprav.

  • Snížení nákladů na provoz: Udržování správného napnutí pásů snižuje riziko jejich poškození, což snižuje náklady na opravy a výměnu dílů.
  • Větší stabilita stroje: Napínací kolo zajišťuje rovnoměrné napětí pásů, což přispívá ke zlepšení stability stroje na nerovném povrchu.
  • Optimalizace výkonu: Precizně napnuté pásy se projevují lepší přilnavostí, což zvyšuje efektivitu práce stroje, zejména v náročných terénních podmínkách.

Napsat hodnocení produktu

You might also like